產品概述
HEQ系列直行程電動裝置具有結構簡單、性能可靠、使用簡便等特點,適用于小口徑、小扭矩多圈旋轉閥門。該系列產品分為防爆型與非防爆型。
防爆型閥門電動裝置的防爆性能符合:
GB/T3836.1-2021《爆炸性環境第1部分設備通用要求》;
GB/T3836.2-2021《爆炸性環境第2部分由隔爆外殼"d"保護的設備》;
GB/T3836.31-2021《爆炸性環境第31部分由防粉塵點燃外殼"t”保護的設備》;
等標準的有關規定,防爆標志為:Ex db IIC T6Gb、Ex tb IIIC T8O°CDb。
型號規格表示方法(B型)

工作環境
動力電源(任選):
三相:AC380V、AC415V、AC440V;±10% 50/60Hz
單相:AC110V、AC220V;±10% 50/60Hz;
直流:DC24V±10%
重復精度(調節精度)±1%。
死區:0.3%~9.9%可調。
信號丟失位置設定:“保位”、“全關”、“全開”3個任意切換。
產品為戶外型,其防護等級為IP67。
,環境溫度:(防爆型)-25~50℃,(非防爆型)-25~70℃:環境相對濕度不大于90%(25℃).
海拔高度不大于1000m。
工作環境中不含強腐蝕性介質。
非隔爆型產品不得在有爆炸性混合氣體的環境中使用。
工作制:1200次/小時S4-40%。
無強烈振動工況。
產品結構 (Type B)
(1) 模擬量電氣箱 (2) 箱罩 (3) 蝸桿 (4) 電機 (5)刻 度尺板 (6) 行程傳動絲桿 (7) 刻度尺 (8) 傳動銅螺母 (9) 折彎指針 (10) 蝶簧 (11) 連接套(與閥桿連接) (12) 支撐柱 (13) 支架法蘭(與閥門]平臺連接) (14) 手動蓋 (15) 電纜接頭2個 M20*1.5 | ![]() |
產品尺寸參數

| 尺寸 | A | B | B1 | B2 | C | D | D1 | D2 | n-d4 | E | F | L | H | P | M1 |
| 型號 | |||||||||||||||
| HEQ2-03 | 468 | 182 | 131 | 120 | 95 | 155 | 80 | 60 | 4-Φ10 | 24 | 156 | 120 | 25 | 24 | M10 |
| HEQ2-04 | 468 | 182 | 131 | 120 | 95 | 155 | 80 | 60 | 4-Φ10 | 24 | 156 | 120 | 25 | 24 | M10 |
| HEQ3-06 | 535 | 255 | 171 | 131 | 130 | 159 | 105 | 80 | 4-Φ12 | 24 | 201 | 120 | 25 | 24 | M12*1.25 |
| HEQ3-10 | 615 | 255 | 171 | 131 | 140 | 159 | 118 | 95 | 4-Φ14 | 24 | 201 | 120 | 25 | 24 | M16*1.5 |
| HEQ3-16 | 650 | 255 | 171 | 131 | 175 | 159 | 130 | 100 | 4-Φ18 | 24 | 201 | 120 | 25 | 24 | M20*1.5 |
| HEQ3-20 | 650 | 255 | 171 | 131 | 175 | 159 | 130 | 100 | 4-Φ18 | 24 | 201 | 120 | 25 | 24 | M20*1.5 |
技術參數
| 參數 | 輸出推力 (N) | 運行時間 (mm/s) | 電機功率 (W) | 行程 (mm) | 額定電流(A) | 參考重量 (Kg) | |||
| 機型 | AC380V | AC220V | AC110V | DC24V | |||||
| HEQ2-03 | 3000 | 1.0 | 25W | ≤40 | 0.13A | 0.32A | 0.55A | 2.1A | 16 |
| HEQ2-04 | 4000 | 30W | 0.17A | 0.37A | 0.71A | 2.7A | |||
| HEQ3-06 | 6000 | 1.2 | 60W | 0.25A | 0.5A | 1.0A | 6.8A | 25.9 | |
| HEQ3-10 | 10000 | 90W | 0.38A | 0.75A | 1.5A | -- | |||
| HEQ3-16 | 16000 | 0.83 | 90W | 0.38A | 0.75A | 1.5A | -- | 26.3 | |
| HEQ3-20 | 20000 | 120W | 0.55A | 1.1A | 2.3A | -- | |||
注:產品配上模擬量電氣箱,整機重量增加1Kg。
產品常規線路圖
![]() | B1K4型:基本開關型(單相電源) |
端子接線說明: 1、端子1接電源零線 2、電源相線與端子2接通時為"開"運行,至行程開關0LS動作后停止,同時端子2與端子4接通: 3、電源相線與端子3接通時為"關"運行,至行程開關CLS動作后停止,同時端子3與端子5接通: 4、端子7為無源信號觸點公共端,“開"運行到位時與端子8接通,"關"運行到位時與端子9接通: 5、端子10為加熱除濕器接線端。 注意: 1、不能將兩臺或兩臺以上電動裝置并聯使用,否則可能會出現開關不到位或電機過熱現象: 2、無源觸點的開閥信號/關閥信號,僅作指示用,比行程開關早約3°觸發。 |
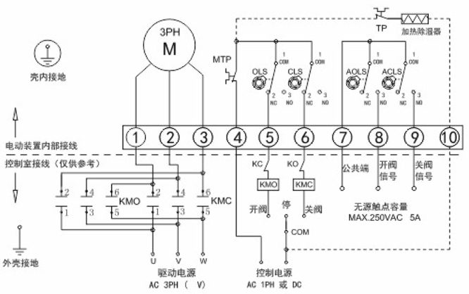
![]() | B1K2型:基本開關型(三相電源) |
端子接線說明: 1、端子1、2、3接經過倒相電路后的三相電源: 2、端子4為控制電路的公共端; 3、端子5為"開"運行控制,至行程開關0LS動作后,端子5與端子4斷開: 4、端子6為"關"運行控制,至行程開關CLS動作后,端子6與端子4斷開; 5、端子7為無源信號觸點公共端,“開”運行到位時與端子8接通,“關"運行到位時與端子9接通: 6、端子10為加熱除濕器接線端。 注意: 1、三相電源存在相序問題,剛開始調試使用時,要保證行程開關能正確控制電動裝置的開和關,否則會造成電動裝置失控和損壞電動裝置: 2、無源觸點的開閥信號/關閥信號,僅作指示用,比行程開關早約3°觸發。 |
![]() | B1K4型:基本開關型(直流電源) |
端子接線說明: 1、端子1接電源正極,端子2接電源負極時,“開"方向運行,至行程開關0LS動作后停止,同時端子1與端子3接通: 2、端子1接電源負極,端子2接電源正極時,"關"方向運行至行程開關CLS動作后停止,同時端子2與端子4接通: 3、端子7為無源信號觸點公共端,"開運行到位時與端子8接通,"關"運行到位時與端子9接通: 4、端子9、10為加熱除濕器接線端。 注意: 1、無源觸點的開閥信號/關閥信號,僅作指示用,比行程開關早約3°觸發。 |
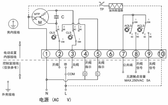
![]() | B2K9(B2K8)型:基本調節型(單相電源) |
端子接線說明: 1、端子1、2接電源零、相線; 2、輸入控制信號“+"接端子6,“。"接端子7; 3、輸出反饋信號“+"接端子8,“。"接端子9; 4、端子3為無源信號觸點公共端,"開"運行到位時與端子4接通,"關"運行到位時與端子5接通: 5、端子10為加熱除濕器接線端。 注意: 1、無源角觸點的開閥信號/關閥信號,僅作指示用,比行程開關早約3°觸發。 |
![]() | B1K9型:帶位置發送器(單相電源) |
端子接線說明: 1、端子1、2接電源零、相線; 2、電源相線與端子6接通時為"開"運行,至行程開關0LS動作后停止: 3、電源相線與端子7接通時為"關"運行,至行程開關CLS動作后停止; 4、輸出反饋信號"+"接端子8,"-"接端子9; 5、端子7為無源信號觸點公共端,"開"運行到位時與端子8接通,"關"運行到位時與端子9接通: 6、端子10為加熱除濕器接線端。 注意: 1、不能將兩臺或兩臺以上電動裝置并聯使用,否則可能會出現開關不到位或電機過熱現象: 2、無源觸點的開閥信號/關閥信號,僅作指示用,比行程開關早約3°觸發。 |
![]() | B1K5型:帶電位器反饋(單相電源) |
端子接線說明: 1、端子1接電源零線: 2、電源相線與端子2接通時為"開"運行,至行程開關0LS動作后停止: 3、電源相線與端子3接通時為"關"運行,至行程開關CLS動作后停止; 4、端子5為電位器動臂 5、端子4為電位器低端,端子4、5之間阻值隨"開"方向運行時增大: 6、端子6為電位器高端,端子5、6之間阻值隨"開"方向運行時減少: 7、端子7為無源信號觸點公共端,"開"運行到位時與端子8接通,"關"運行到位時與端子9接通: 8、端子10為加熱除濕器接線端。 注意: 1、不能將兩臺或兩臺以上電動裝置并聯使用,否則可能會出現開關不到位或電機過熱現象; 2、無源觸點的開閥信號/關閥信號,僅作指示用,比行程開關早約3°觸發。 |